Odżelaziacz odmanganiacz wody V-150 OTOMAN Hydro-Vacuum

Dostępność: średnia ilość
Wysyłka w: 48 godzin
Dostawa: Cena nie zawiera ewentualnych kosztów płatności sprawdź formy dostawy
Cena: 3 120,00 zł

Cena regularna:

3120.00
ilość szt.

towar niedostępny

dodaj do przechowalni
Producent: Hydro-Vacuum Wąbrzeźno
Kod produktu: HVOTOMAN150

Opis

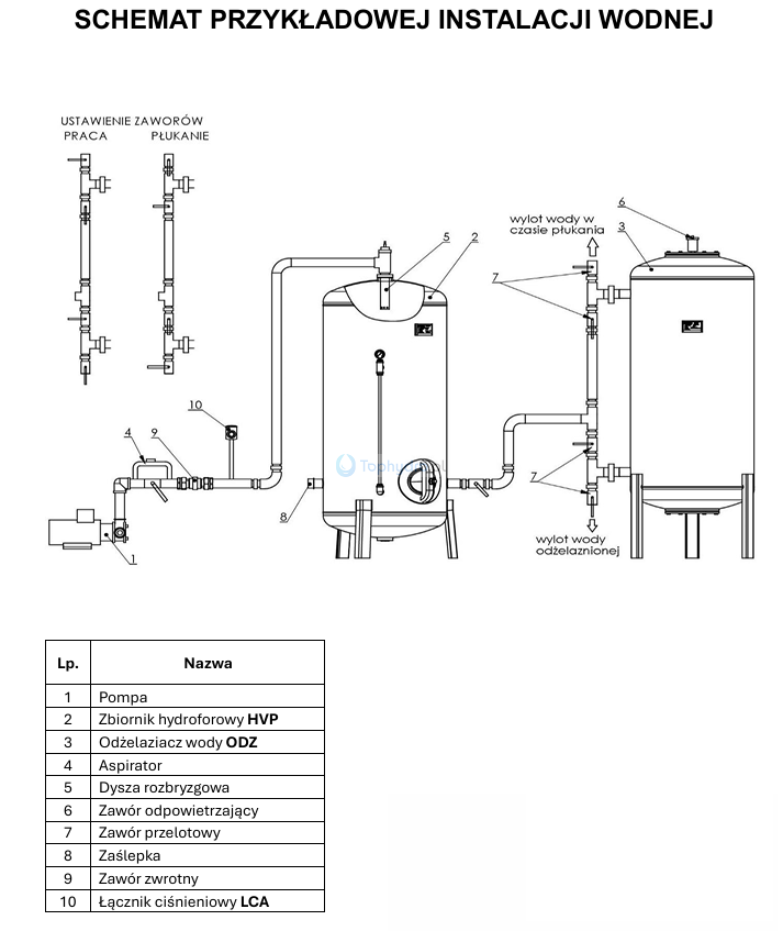
W skład zestawu wchodzą: odżelaziacz 150 (ocynkowany, pionowy) + złoże filtracyjne (~125 kg) + aspirator + dysza rozbryzgowa.

Odżelaziacz odmanganiacz Hydro-Vacuum 150 ze złożem filtracyjnym skutecznie poradzi sobie z usuwaniem żelaza oraz manganu. Odżelazianie wody realizowane jest na skutek napowietrzenia wody poprzez aspirator, zlokalizowany pomiędzy pompą, a zbiornikiem hydroforowym i dyszą rozbryzgową umieszczoną w hydroforze. Kolejny etap to przepuszczanie wody przez złoże filtracyjne, umieszczone w odżelaziaczu. Związki wytrącone w procesie napowietrzania zatrzymane są na złożu filtracyjnym, a następnie usunięte w procesie płukania.

UWAGA: złoże nie usuwa azotanów z wody, jak również nie wpływa na stan bakteriologiczny wody.

Jeżeli nie są Państwo pewni, czy odżelaziacz poradzi sobie z żelazem, manganem, prosimy o przesłanie wyników badań wody na adres: sklep@tophydro.pl

 

Odżelaziacze Hydro-Vacuum posiadają atest PZH. Urządzenia są ocynkowane ogniowo wewnątrz i na zewnątrz. Odżelaziacze Hydro-Vacuum pracują tylko i wyłącznie ze zbiornikami ocynkowanymi, np. HVP, dostępnymi w naszej ofercie.

 

WYKONANIE MATERIAŁOWE:
zbiorniki – stal ocynkowana
zawory – stal ocynkowana
dysza rozbryzgowa – stal ocynkowana
rury – stal ocynkowana
aspiratory ‑ ABS

Dane techniczne

Wydajność 2m³/h
Ciśnienie robocze 0,6MPa
Szybkość przepływu podczas płukania złoża 4m³/h
Maksymalna temperatura wody 20ºC
Średnica urządzenia 39 cm
Wysokość urządzenia 169,5 cm
Średnica rur przyłączeniowych 1
Masa zbiornika bez złoża 52 kg
Masa zbiornika ze złożem ~175 kg
Pojemność zbiornika 150 l
Ilość worków ze złożem 5
Waga złoża ~100

Bezpieczeństwo

Koszty dostawy Cena nie zawiera ewentualnych kosztów płatności

Kraj wysyłki:

Produkty powiązane

do góry
Sklep jest w trybie podglądu
Pokaż pełną wersję strony
Sklep internetowy Shoper.pl